The QUASAR™ Penta-Guide Phantom is recognized globally as the preferred tool for commissioning and daily testing of Image-Guided Radiotherapy (IGRT) systems. The QUASAR™ Penta-Guide Phantom ensures the accuracy of LINAC-mounted On-Board Imaging (OBI) guidance systems, including KV, MV, and X-ray Volumetric Imaging (XVI) using Cone Beam CT (CBCT).
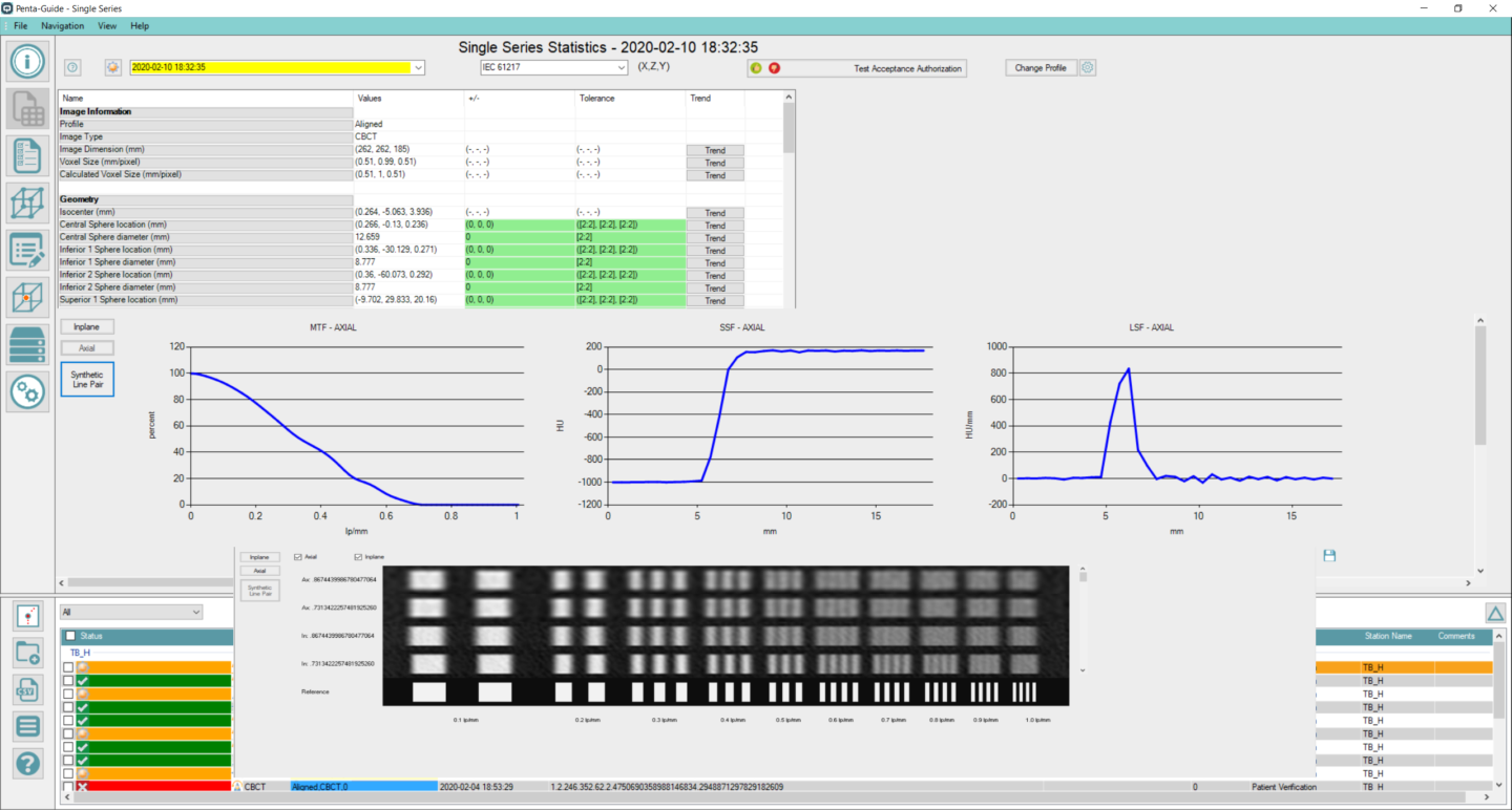
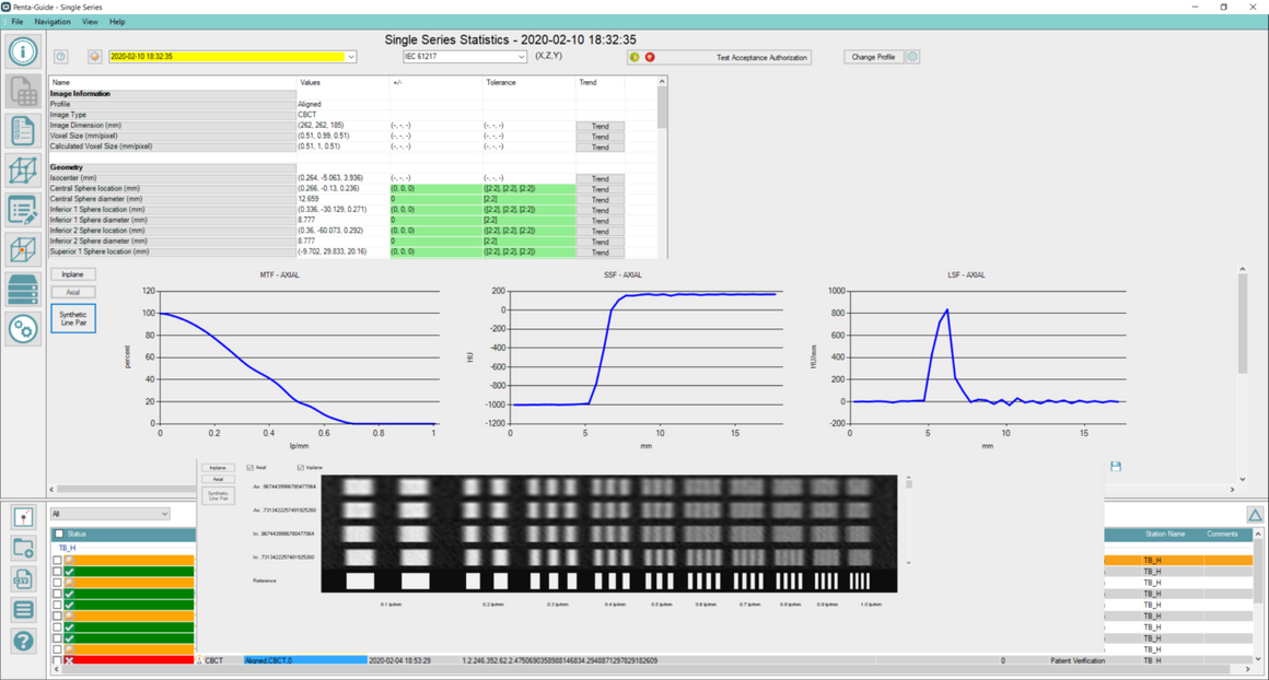
Its simple and innovative design facilitates intuitive verification of spatial alignment and isocenter coincidence on IGRT and SGRT systems. The addition of an optional Penta-Guide Tilt-Plate provides intuitive verification of 6DoF couch adjustments. Combined with our included analysis software, Penta-Guide provides detailed image quality metrics that evaluate the performance of your CBCT imaging systems.


























